ANDON 高溫200℃封閉框架ICDIP插座,帶支架
發布時間:2021-07-05 17:09:38 瀏覽:2343
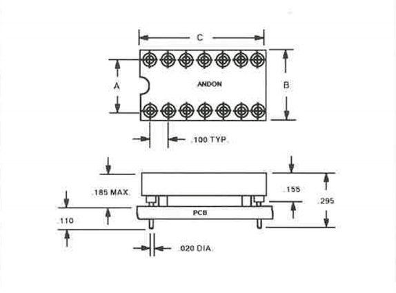
ANDON的高溫200℃ DIP插座選用絕緣質料舉行集成和模壓,以完成非常佳的機械安全性。這些插座配有模壓支架,以完成非常大的焊接可視性。特色包含:非常大的絕緣籠蓋局限,以防備在高打擊和振動環境短路。一個易于裝備插入的引入倒角,一個關閉的底部,以防備焊料芯吸進入觸碰地區,以及用于精確安置在PCB。
ANDON的高溫200℃ DIP插座上的剛性端子是阻燃劑,可處分高達250℃的溫度,并由高溫鄰苯二甲酸二烯丙酯perMIL-M-14G,SDG-F型制作完成。

特殊功能和好處:
雙列直插式插座,用于低剖面、高密度包裝。
插座接管圓形或扁平引線的封裝。
插座一端的切口,用于分度定位
模壓剛性焊接端子在安置到PC板上時不會蜿蜒
端子/觸點組件-與絕緣質料集成和模制,以完成非常佳的機械安全性。為焊接可視性供應模壓支架。
非常大的絕緣籠蓋,以防備在高打擊和振動環境短路。
引入倒角,便于插入裝備
關閉的底部防備焊料芯進入觸碰地區。
高溫鄰苯二甲酸二烯丙酯/MIL-M-14G,SDG-F型,阻燃劑,溫度局限高達250℃。
ANDON為全世界客戶提供了高性能電源插座產品,如CCD、光電、傳感器、電池等項目。產品廣泛運用于研發設計、軍事及高溫環境工程。深圳市立維創展科技有限公司,授權代理銷售ANDON產品,歡迎咨詢。
詳情了解ANDON請點擊:/brand/76.html
或聯系我們的銷售工程師:0755-83642657 QQ: 2295048674
上一篇: Bird射頻便攜式功率計
推薦資訊
AirBorn M83513/04-F03N是一款符合MIL-DTL-83513軍規的37路Micro-D插座,采用鍍鎳全灌封金屬殼體,具有3A電流承載能力、-55℃~150℃工作溫度范圍及500次插拔壽命,配套18英寸特氟龍線束,滿足BS9523F0002等軍用標準,并列出近百種關聯型號。
AirBorn360系列提供了推/拉鎖定或快速解配?選項,非常適用于下一代士兵系統、雷達、航空電子設備、工業設備或任何其他應用領域。這些連接器能夠在高沖擊、高振動和惡劣環境條件下可靠地連接電子設備。除此之外,AirBorn360系列還包括根據您特定需求設計和制造的電纜組件,確保完全符合您的要求和標準。
在線留言
主站蜘蛛池模板: 华安县| 城市| 朔州市| 尼木县| 郴州市| 元氏县| 斗六市| 缙云县| 城口县| 扶绥县| 信丰县| 那曲县| 海宁市| 石嘴山市| 丹棱县| 望江县| 枝江市| 改则县| 栖霞市| 吴旗县| 哈尔滨市| 南漳县| 德化县| 右玉县| 五常市| 齐齐哈尔市| 永康市| 林周县| 福建省| 开鲁县| 平安县| 全椒县| 江孜县| 合作市| 察隅县| 梧州市| 寻甸| 仁寿县| 闽侯县| 永寿县| 文登市|