DAC39RF10-SP數模轉換器(DAC)TI
發布時間:2024-08-08 09:14:24 瀏覽:1621

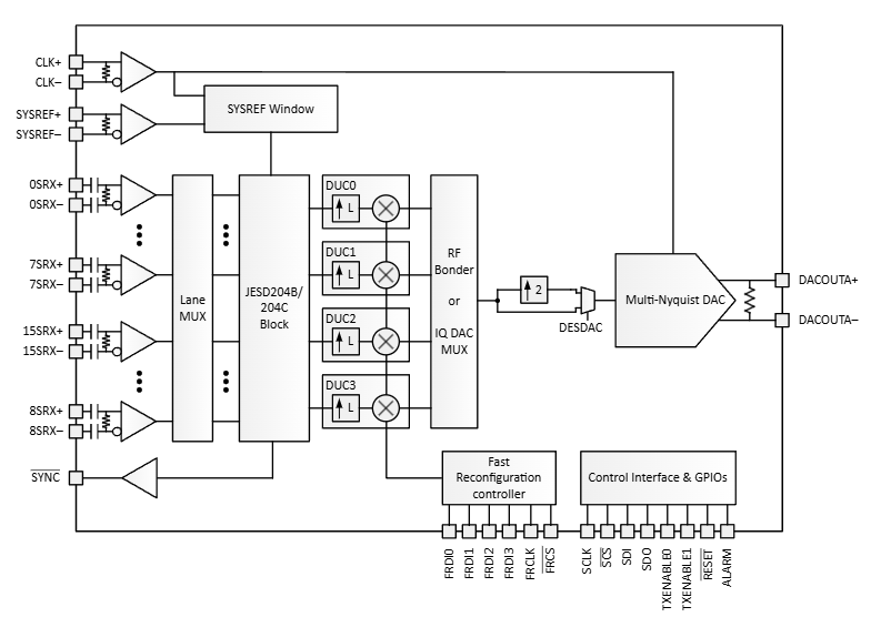
DAC39RF10-SP 是TI德州儀器生產的一款具有 16 位分辨率的雙通道和單通道數模轉換器 (DAC)。以下是該產品的詳細介紹:
主要特性:
分辨率:16 位
DAC 通道數:2
接口類型:JESD204B、JESD204C
采樣/更新速率:10400 Msps(雙通道),20800 Msps(單通道)
插值選項:提供多種插值倍數,包括 128 倍、12 倍、16 倍、192 倍、1 倍、24 倍、256 倍、2 倍、32 倍、3 倍、48 倍、4 倍、64 倍、6 倍、8 倍、96 倍
功耗:典型值為 3800 mW
無雜散動態范圍:85 dB
工作溫度范圍:25°C 到 25°C
應用場景:
直接射頻采樣:能夠在超過 10GHz 的載波頻率下生成高達 10GHz、7.5GHz 和 5GHz 的信號帶寬,支持對 C 帶進行直接采樣。
復數基帶信號生成:適用于生成復雜的基帶信號。
任意波形生成 (AWG):利用高采樣速率和 64 位 NCO 頻率分辨率實現。
直接數字合成 (DDS):支持相位相干的跳頻。
接口和同步:
串行接口:符合 JESD204B 和 JESD204C 標準,具有 16 個接收器對,速率高達 12.8Gbps。
確定性延遲和多器件同步:通過使用 SYSREF 實現。
其他特性:
超高速:適用于需要極高數據速率的應用。
建筑電流源:確保穩定可靠的電流輸出。
引用類型:支持分機和整數類型。
DAC39RF10-SP 是一款適用于高性能射頻和通信系統的高速數模轉換器,能夠滿足復雜信號生成和處理的需求。
推薦資訊
PDQ30-Q24-S3-D是CUI公司生產的30W隔離式DC-DC轉換器,采用1英寸x 1英寸(25mmx 25mm)標準封裝,適用于空間受限應用。具備4:1寬輸入電壓范圍,提供單路或雙路穩壓輸出,能效高達90%,五面屏蔽設計減少EMI。支持遠程開/關控制和輸出微調,工作溫度-40°C至+105°C,集成過流、過熱、過壓和短路保護。適用于微控制器、數據通信、電信、遠程傳感系統和便攜式電器等,符合62368安全標準,尺寸1英寸x 1英寸x 0.4英寸(25.4mmx 25.4mmx 10.16mm)。
American Power Design A100系列高壓直流/直流轉換器由美國American Power Design, Inc.生產,是一款高性能電源產品,具有寬輸入電壓范圍(10-20Vdc、18-36Vdc、36-72Vdc)和可調輸出電壓(48Vdc至200Vdc),最大輸出功率為100W,效率高達90%。其緊湊尺寸(2.75 x 4.8 x 0.92英寸)和輕量化設計(13.5盎司)使其適用于高壓應用、輸入電壓波動較大的環境以及對電源質量要求較高的精密儀器和工業設備。
在線留言
主站蜘蛛池模板: 运城市| 武穴市| 黎城县| 盘锦市| 乐至县| 曲阳县| 巴中市| 康平县| 霍州市| 波密县| 比如县| 黔西| 兰考县| 竹北市| 肇州县| 安岳县| 孟村| 凌海市| 突泉县| 芦山县| 广汉市| 隆化县| 承德市| 修文县| 陇南市| 阳东县| 浏阳市| 松原市| 英德市| 孟村| 同心县| 务川| 杂多县| 商南县| 高台县| 两当县| 泸水县| 盐城市| 张家川| 麻栗坡县| 类乌齐县|