WD30512M,WD30512XM寬帶VHF/UHF車載天線Alaris Kuhne
發布時間:2024-10-25 08:51:46 瀏覽:1395
WD30512M 和 WD30512XM 是兩款專為車輛安裝設計的堅固耐用且高性能的VHF/UHF偶極天線。這些天線在整個30至512 MHz的頻率范圍內提供有效覆蓋,非常適合用于最新的JTRS(聯合戰術無線電系統)和現代軟件定義無線電(SDR)設備。

產品特性
頻率范圍:30 - 512 MHz。
無源匹配:簡化了天線系統的配置,無需額外的匹配網絡。
名義垂直極化:確保天線在垂直方向上的最佳接收效果。
偶極天線類型:經典的天線設計,提供全向輻射模式,適用于全方位覆蓋。
駐波比:≤ 3.5(在95%的指定頻率范圍內),確保高效的信號傳輸和低損耗。
標稱阻抗:50 ?。
功率等級:標準型號為50 W,而WD30512XM的高功率變體額定功率高達80 W。
標準顏色:黑色。
輻射器設計:
- 上部:鋼鞭天線。
- 下部:雷達罩保護。
尺寸和重量:
- 高度:2990 mm。
- 重量:3.7 kg。
安裝說明
射頻連接:女式N型連接器,通用性強,易于與各種無線電設備連接。
安裝方式:可安裝在直徑40 - 60 mm的桅桿上。
多用途概念:支持COJOT多用途概念,同一輻射器可用于車輛和桅桿安裝。
簡易拆卸:鋼鞭可以輕松地無需任何工具臨時拆卸,便于在需要時進行快速更換或維護。
環境規格
工作溫度范圍:-40 ... +55 oC,適用于各種氣候條件下的戶外使用。
存儲溫度范圍:-40 ... +85 oC,確保在極端溫度下也能安全存儲。
濕度、沖擊、隨機振動、吹雨、水浸:均符合MIL-STD-810標準,確保在惡劣環境下的可靠性和耐用性。
風速:可承受高達160 km/h的風速,適合在多變的戶外環境中使用。
Alaris Kuhne是高頻和微波領域過程與測量技術解決方案的領先企業。深圳市立維創展科技有限公司,優勢代理銷售Alaris Kuhne產品,歡迎咨詢。
推薦資訊
Saint - Gobain Crystals(現Luxium Solutions)生產用于輻射測量探測器的閃爍材料,探測器易受濕度等影響。標準探測器適用于特定實驗室條件,超出該條件的惡劣環境可能使標準探測器失效,確定規格時需明確運行條件。文中列舉了低溫、低壓等惡劣環境的應對辦法,非標準探測器設計可集成可選電子設備,還能開展組件空間資格認證、設計建模與有限元分析。
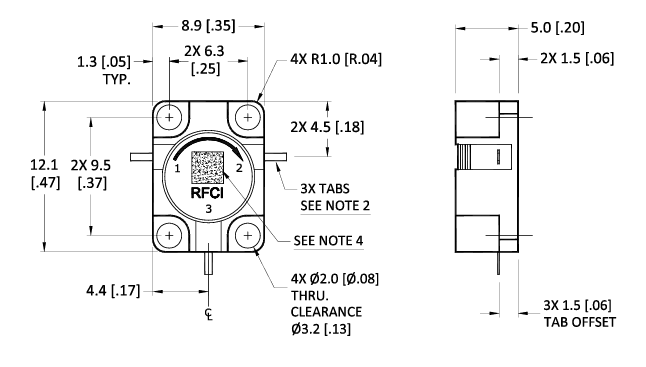
RFCR2911是RFCI公司生產的法蘭安裝嵌入式同軸環行器,工作頻率13.0-16.0 GHz,具有低插入損耗(典型<0.45 dB)和高隔離度(典型>20 dB),適用于衛星通信、雷達及基站等射頻系統。其耐功率達250W峰值/25W均值,工作溫度范圍-40至+85°C,采用緊湊設計(外徑12.1mm×高4.4mm),配備3引腳(間距2.0mm)和4個1.0mm安裝孔,滿足嚴苛環境下的高隔離信號傳輸需求。
在線留言
主站蜘蛛池模板: 杭州市| 延吉市| 丘北县| 阿鲁科尔沁旗| 南郑县| 襄城县| 盱眙县| 聂荣县| 小金县| 万载县| 台南市| 达尔| 富锦市| 宁海县| 保康县| 福贡县| 张家口市| 禄丰县| 洪湖市| 开鲁县| 滨州市| 通化市| 交城县| 留坝县| 阳江市| 河西区| 洪雅县| 北票市| 湘阴县| 白水县| 武邑县| 安溪县| 临安市| 连城县| 闻喜县| 大安市| 乌鲁木齐市| 彝良县| 威海市| 洞头县| 屏东市|