TOREX XC6365/XC6366系列多功能降壓DC/DC控制器
發布時間:2025-01-21 08:48:10 瀏覽:1099
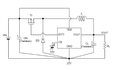
Torex XC6365/XC6366系列是多功能降壓DC/DC控制器,具有1A輸出電流能力,通過使用外部連接的晶體管、線圈、二極管和電容器實現。輸出電壓可在1.5V至6.0V(Vout)之間以0.1V的增量進行編程(±2.5%精度)。此外,內部1.0V的標準電壓供應和使用外部連接的組件,可以自由設置輸出電壓(FB)。通過300kHz的開關頻率,可以減小外部組件的尺寸。
XC6366(PWM/PFM可切換)在輕負載時從PWM切換到PFM,該系列從輕負載到大輸出電流都具有高效率。XC6365/XC6366A、B系列的軟啟動時間內部設置為10ms,XC6365/66C、D系列通過外部連接電阻和電容器來調節軟啟動時間。
在待機時間(CE引腳“低”),電流消耗減少到小于0.5μA。內部UVLO(欠壓鎖定)功能會在電壓低于規定值時強制關閉外部晶體管。

應用領域
電子書閱讀器/電子詞典
智能手機/移動電話
筆記本電腦/平板電腦
數字音頻設備
多功能電源
產品特點
輸入電壓范圍:2.2V至10V(Vout類型)
輸出電壓范圍:1.5V至6.0V(0.1V增量)(±2.5%)
振蕩頻率:300kHz(±15%)
輸出電流:超過1.0A(Vin=5.0V,Vout=3.0V)
高效率:92%(典型值)
待機能力:Istb=0.5μA(最大值)
選擇:外部軟啟動設置
輸出電壓設置:內部(Vout)和外部(FB)
PWM/PFM控制(XC6366)
最大占空比:100%
封裝:SOT-25,USP-6C
環保:符合歐盟RoHS標準,無鉛
Torex特瑞仕XCL系列PoL非隔離電源模塊可用Cyntec電源模塊進行替代,具體替代方案可咨詢立維創展。
推薦資訊
Leadway電源模塊作為TI電源模塊的國產替代方案,憑借高轉換效率、精確電壓調節、成本優勢和供應穩定性,能夠實現與TI模塊在電氣參數、物理尺寸和引腳定義上的無縫替換,廣泛應用于工業自動化和消費電子領域,幫助企業降低成本、提高供應鏈自主性和產品競爭力。
Vincotech推出的flowSOL 1 BI (TL)是一款高度集成的10kW單相太陽能逆變器功率模塊,采用創新的三電平H6.5拓撲結構,將雙路升壓器和逆變器整合在82×38×12mm的flow 1封裝內。該模塊通過650V/50A(或75A)的電壓電流配置,相比傳統方案可降低20%功率損耗,并減少濾波需求;適用于多PV組串的高功率單相光伏系統。
在線留言
主站蜘蛛池模板: 兴和县| 正宁县| 鹤山市| 裕民县| 会理县| 太仆寺旗| 宁河县| 从江县| 靖边县| 克什克腾旗| 库伦旗| 固原市| 永康市| 咸宁市| 双柏县| 宜都市| 肥西县| 枣阳市| 宝鸡市| 新竹县| 苍梧县| 和平县| 磐石市| 通江县| 建德市| 满城县| 临海市| 兴城市| 容城县| 耿马| 汪清县| 平阳县| 新化县| 永济市| 内黄县| 长乐市| 休宁县| 泰州市| 蓬溪县| 延庆县| 永新县|